Chat IKA
jueves, 8 de noviembre de 2007
Los caligaris en el chopo - Mi estanciera y yo
Publicadas por
Regalo Viral Gratis Motivación Energía Positiva
a la/s
12:09 a. m.
0
comentarios
Etiquetas: videos
martes, 9 de octubre de 2007
Embrague Hidráulico despiece y funcionamiento
2)Linea que transfiere el fluido.
3)Deposito de fluido.
4) Horquilla
5) Bomba principal del embrague
6) collarin
7)Bomba actuadora del embrague
8) Prensa
9) Disco de embrague.
La funcion es asi : Usted pisa el pedal (1) este acciona la bomba principal (5),el fluido se traslada a la bomba actuadora (7), un pin sale de la bomba empujando la horquilla (4); la horquilla presiona el collarin [6] sobre el diafragma de la prensa; como consecuencia el disco de embrague ubicado en su posicion de trabajo, presionado entre prensa y rueda volante del motor;se libera de esta presion permitiendo hacer los cambios. Cuando usted suelta el pedal, el fluido regresa a la bomba principal, el collarin deja de presionar el diafragma y la prensa se mantiene presionando el disco contra la rueda volante del motor.
fuente: http://www.automecanico.com
Publicadas por
Regalo Viral Gratis Motivación Energía Positiva
a la/s
8:48 p. m.
0
comentarios
Etiquetas: mecanica
sábado, 8 de septiembre de 2007
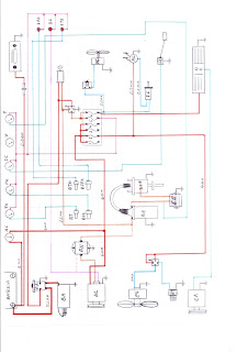
Planos eléctricos estancieras
Estos planos son obra maestra de uno de los integrantes del foro yahoo de mejorasestancieras que podés ver en links, para los que tengan idea es una excelente herramienta.

Publicadas por
Regalo Viral Gratis Motivación Energía Positiva
a la/s
7:42 p. m.
0
comentarios
Etiquetas: mecanica
Interiores Estanciera 1
Algunos interiores de estancieras, para que puedas armar de acuerdo a tu presupuesto, pronto voy a subir más, y algunas consolas e ideas de asientos traseros.







Publicadas por
Regalo Viral Gratis Motivación Energía Positiva
a la/s
7:29 p. m.
0
comentarios
Etiquetas: varios
Extracción Motor Continental
Sábado 08 de Setiembre, aprovechando el buen tiempo me dediqué a la no fácil tarea de extraer el continental para mudarlo al chasis nuevo con la zf, por lo leído era cuestión de sacar los bulones de la carcaza del embrague y los de los tacos del motor, que fue imposible aflojarlos por lo que tuve que romper los tacos y cortar los bulones, así que a comprar todo nuevo. Por lo que pueden ver me las tengo que rebuscar con las cosas que tengo en casa, así que 2 escaleras de madera, un pedazo de poste, alambre y cables para sujetar fue suficiente para soportar el motor, lo que si tenía es el aparejo.
En la primer foto se ve a La Chacha esperando su mecánica, el chasis original, el continental en el aire y el otro chasis nuevo al costado.
En esta se ve de atrás
Ya terminando la tarde una pasadita de nafta al motor.. y a descansar... en esta foto se puede ver lo torcido del chasis viejo, próximo capítulo creo que va a ser la instalación del tren delantero "nuevo" con frenos a discos y barra panhard, amortiguadores nuevos al chasis "nuevo"
Publicadas por
Regalo Viral Gratis Motivación Energía Positiva
a la/s
7:10 p. m.
0
comentarios
Etiquetas: la chacha
martes, 4 de septiembre de 2007
Para Matías
Publicadas por
Regalo Viral Gratis Motivación Energía Positiva
a la/s
7:56 p. m.
0
comentarios
martes, 28 de agosto de 2007
Asientos cama - Revista Parabrisas 1963
Publicadas por
Regalo Viral Gratis Motivación Energía Positiva
a la/s
10:37 p. m.
0
comentarios
Etiquetas: varios
sábado, 25 de agosto de 2007
Algunas fotos para el recuerdo - La Chacha
Juan Pablo y Kiko, a full...dos de mis colaboradores en el proyecto.. abril 2007La vuelta de la Chacha a casa... Marzo 2006

Que foto!!...fui al taller y estaba cerrado me arrimé al portón y así la vi pintada por primera vez..febrero del 2006Un par de veces a la semana íbamos con Juan Pablo a jugar al taller...mediados del 2005
Una lavadita después de una de las pocas salidas que hicimos con la estanciera, Juan Pablo tenía añito y medio
Juan Pablito.. el día después de comprar la Chacha...Mayo del 2003
En su casa anterior, que hubiera sido de ti si no te conocíamos....Mayo 2003
Publicadas por
Regalo Viral Gratis Motivación Energía Positiva
a la/s
12:15 a. m.
0
comentarios
Etiquetas: la chacha
viernes, 24 de agosto de 2007
Sacando Chasis - La Chacha
Con paciencia y cuando el tiempo lo permitía fuimos separando el chasis de la carroceríaEl lunes 21 de Agosto del 2007 (feriado) lo pudimos terminar de sacar...
Publicadas por
Regalo Viral Gratis Motivación Energía Positiva
a la/s
11:57 p. m.
0
comentarios
Etiquetas: la chacha
Frenos - La Chacha
Eje delantero de estanciera y mazas, discos, calipers, cubrediscos de torino
Adaptador/Soporte de Calipers colocado visto de atrás Adaptador visto de frente, agüjeros del cubredisco rectificados
Pedalera de 505, Servo y bomba doble circuito de F-100
Publicadas por
Regalo Viral Gratis Motivación Energía Positiva
a la/s
11:19 p. m.
0
comentarios
Etiquetas: la chacha
La Chacha - Chasis
Para comenzar con los arreglos, conseguimos este chasis para reemplazar el de la Chacha ya que el que tiene está torcido por un choque mal arreglado, así que pusimos manos a la obra para continuar con el proyecto.
Publicadas por
Regalo Viral Gratis Motivación Energía Positiva
a la/s
11:03 p. m.
1 comentarios
Etiquetas: la chacha
lunes, 30 de julio de 2007
Repuestos varios Estanciera
Muchachos para los que esten buscando algunos repuestos les paso el
mail del amigo Esteban Canteli (TARKEN) que tiene cosas de chapa,
mecánica y accesorios de estanciera para vender y progresar en un nuevo
proyecto:
ecanteli@gmail.com
Publicadas por
Regalo Viral Gratis Motivación Energía Positiva
a la/s
8:27 p. m.
0
comentarios
Etiquetas: ventas
jueves, 14 de junio de 2007
La Estanciera de Daniel, el loco de la V8
Daniel
C del Uruguay ER
Publicadas por
Regalo Viral Gratis Motivación Energía Positiva
a la/s
7:41 p. m.
0
comentarios
Etiquetas: videos
1948 Willys Overland Station Wagon
Publicadas por
Regalo Viral Gratis Motivación Energía Positiva
a la/s
7:37 p. m.
0
comentarios
Etiquetas: videos
lunes, 11 de junio de 2007
Revista Parabrisas - Mayo 1961 - Publicidad
Publicadas por
Regalo Viral Gratis Motivación Energía Positiva
a la/s
7:57 p. m.
0
comentarios
anterRevista Parabrisas - Mayo 1961 - Tren delantero y suspensión, Frenos, Bastidor y carrocería
Estanciera IKA 1961 - Tren delantero y suspensión, Frenos, Bastidor y carrocería
Estanciera 1961, Tren delantero y suspensión, Frenos, Bastidor y carrocería
Publicadas por
Regalo Viral Gratis Motivación Energía Positiva
a la/s
7:46 p. m.
0
comentarios
Etiquetas: en los medios
Revista Parabrisas - Mayo 1961 - Tabla de detalles de carrocería y generales Estanciera IKA 1961
Publicadas por
Regalo Viral Gratis Motivación Energía Positiva
a la/s
7:36 p. m.
0
comentarios
Etiquetas: en los medios
Revista Parabrisas - Mayo 1961 - Caja de Transferencia
Publicadas por
Regalo Viral Gratis Motivación Energía Positiva
a la/s
7:22 p. m.
0
comentarios
Etiquetas: en los medios
Revista Parabrisas - Mayo 1961 - Refrigeración, Carburación, Sistema de encendido y eléctrico, Embrague y transmisión
Motor continental, 6L-226, kaiser226
Refrigeración, Carburación, Sistema de encendido y eléctrico, Embrague y transmisión
Publicadas por
Regalo Viral Gratis Motivación Energía Positiva
a la/s
7:11 p. m.
0
comentarios
Etiquetas: en los medios
Revista Parabrisas - Mayo 1961 - Lubricación
Publicadas por
Regalo Viral Gratis Motivación Energía Positiva
a la/s
7:03 p. m.
0
comentarios
Etiquetas: en los medios
martes, 8 de mayo de 2007

bombas de aceite de motor continental
diferenciales, frenos a disco, partes de motor (tornado)
Consulte sin compromiso
http://www.todotoro.com.ar
Publicadas por
Regalo Viral Gratis Motivación Energía Positiva
a la/s
12:19 a. m.
0
comentarios
Etiquetas: ventas
jueves, 3 de mayo de 2007
GACETILLA DE PRENSA
50º ANIVERSARIO DEL LANZAMIENTO DE LA ESTANCIERA IKA
EL DOMINGO 06 DE MAYO DE 2007, EL CLUB DE ESTANCIERAS BUENOS AIRES RECORDARA EL LANZAMIENTO A NIVEL NACIONAL DE LAS "ESTANCIERAS IKA", LAS QUE SE COMENZARON A FABRICAR EN 1957 EN EL PAIS, EN LA PLANTA DE SANTA ISABEL, PCIA DE CORDOBA.
CON TAL MOTIVO INVITA A TODOS LOS AMIGOS POSEEDORES DE ESTANCIERAS, A PARTICIPAR DE UNA CARAVANA QUE SE EFECTUARA POR EL CENTRO DE LA CIUDAD Y DISTINTOS BARRIOS, PARTIENDO A LAS 9:00 HORAS DE LA AV. ALMAFUERTE AL 100 (ESQUINA LOS PATOS) PARQUE PATRICIOS PARA FINALIZAR A LAS 12 HORAS CON UN ACTO EN PARQUE ROCA- PARQUE DE LA CIUDAD. (MAS INFORMACIÓN EN WWW.ESTANCIERASIKABSAS.COM.AR)
EL 19 DE MARZO DE 1957 SALIO DE LA LINEA DE MONTAJE DE INDUSTRIAS KAISER ARGENTINA LA PRIMER ESTANCIERA, PRIMERA RURAL FABRICADA EN EL PAIS. EN 1959 SE LANZARON DOS DERIVADOS DE LA ESTANCIERA, LA PICK-UP BAQUEANO, Y EL FURGON UTILITARIO.
A PARTIR DE 1965 SE INCORPORO EN LAS ESTANCIERAS EL MOTOR TORNADO, EN 1966 SE ADAPTO LA TROMPA QUE FUE DISEÑADA POR WILLYS OVERLAND DO BRASIL, DE AHÍ QUE FUERA CONOCIDA POPULARMENTE COMO "ESTANCIERA BRASILEÑA".
EN 1970 IKA-RENAULT DEJO DE PRODUCIR NUESTRAS QUERIDAS "ESTANCIERAS", CON MAS DE 71.000 UNIDADES FABRICADAS, MUCHAS DE LAS CUALES SIGUEN TRANSITANDO CON ORGULLO NACIONAL POR LOS DISTINTOS PAISAJES DE LA REPUBLICA.
Gustavo Godoy
Capital Federal
lu5aga@...
gusfito@...
Nextel: 567*6526
Publicadas por
Regalo Viral Gratis Motivación Energía Positiva
a la/s
6:26 p. m.
0
comentarios
Etiquetas: encuentros
50 ANIVERSARIO
Muchachos, el 6 de mayo a las 9 hs. nos encontramos en Av.
Almafuerte al 100 y Los Patos, Parque Patricios, para realizar la
caravana que culminará en Parque Roca.Esta durará aprox. 2hs.
Puntos de referencia por donde pasará la caravana:
Salida: Parque Patricio.
Hospital Garraham.
Reagrupación: Av. Hipólito Yrigoyen al 1700.
Congreso de la Nación.
Av. Rivadavia y Callao.
C. Pellegrini y Av. Libertador.
Av. Leandro N. Alem y Av. Rivadavia.
Reagrupación: Av. Rivadavia al 300.
Casa Rosada.
Av. Paseo Colón (Escuela Industrial Otto Krausse)
Reagrupación: Av. Independencia al 2700.
Av. Juan de Garay
Reagrupación: Av. La Plata al 4000.
Llegada: Parque Roca.
Algunos de estos puntos fueron los que realizó la primera estanciera
el 3 de mayo de 1957 día en que salió a la venta.(estos datos fueron
aportados por el sr. Humberto Bernardi.)
José Tremontana.
Morón.
15-5062-5120
Publicadas por
Regalo Viral Gratis Motivación Energía Positiva
a la/s
6:14 p. m.
0
comentarios
Etiquetas: encuentros
domingo, 22 de abril de 2007
LA CHACHA
En realidad ni paramos el auto... pegamos la vuelta.. y en la rotonda de Paso Cordoba paramos en una frutería ya que estabamos nos llevamos unas manzanas buenas... y atrás del puestito estaba el tipo cambiandole la bomba de agua a su estanciera... a lo que me acerqué y le conté lo que me había pasado, entonces me dijo que el tenía esa y que la vendía si me interesaba que la vienera a probar a mitad de semana, ahí mismo le saqué unas fotos, una de ellas fue esta..
Bueno, en la semana me acerqué la probamos... manejaba él obvio...no entraban los cambios, se iba para todos lados..había más viento adentro que afuera.. de interiores y comodidad ni hablemos.. nada de tapizados de nada..con un bidón con manguerita... pero bue.. hice tripa y corazón y le dije si me la llevás a casa te la compro en $1500 y el tipo aceptó. Ese viernes me vine en caravana por la ruta 22 atrás de la estanciera con mi R-11, 60, 70 y pasó un camión a 80!!, llegamos a casa hicimos los papeles y esa noche durmió ahí...el que no durmió fui yo viendo todas las cosas que había por hacer y con todo el entusiasmo...
Lo primero y principal fue con aerosol borrar las llantas amarillas!! no se por nada pero la combinación no me cae bien...(soy de Racing), compré un juego de bujías para estanciera motor continental porque tenía una de cada marca con distintos tipos de rosca...los cables de bujía, platinos, tapa de distribuidor, condensador, regulador de voltaje, bobina, etc.. cambié todo pero no arrancaba ni a palos (a esa altura cero de conocimientos de mecánica..) vino mi mecánico y en 5 minutos la dejó regulando... primer gran alegría!!

Luego la metimos al chapista, y vivió 2 años y pico allí ya que coincidió con que empezamos a construir nuestra casa y la cuota para la Chacha era escasa...$100 o menos al mes..así que el tipo bastante gamba aguantó el lugar y se adaptó al presupuesto...igual como todo chapista siempre iba muy detrás de lo que se llevaba pagado...con Juan Pablo (mi hijo ..en ese entonces 3 añitos)..diseñamos la pintura con el archivito de Hernán Pacetti (un tipazo!) Juan la quería amarilla y yo gris...y bue..todavía no vi nada igual en país..así debería patentarla..jejeje
El día que la trajé estuve hasta la medianoche esperando los últimos retoques del chapista, y cuando terminó conectamos la batería..pusimos el bidón..la puenteamos con una ranchero y luego de dos años parado el continental rugió a la primera, y me volví a casa sin frenos..sin luces.. con los mismos ruidos de antes ...pero con el corazón a mil!! La foto la saqué a las 6 de la mañana del día siguiente..otra noche sin dormir...
Y ahora está así La Chacha, el chasis tenía un golpe mal arreglado, irrecuperable según "expertos" así que compré otro derechito.. y estamos en proceso de armado de todas las reformas, dirección, frenos, barras, etc, siempre con la información y ayuda que me dan los muchachos de todo el país de las estancieras...
Domingo González, Fabiana y Juan Pablo..
La Chacha - IKA 1957
Publicadas por
Regalo Viral Gratis Motivación Energía Positiva
a la/s
11:19 a. m.
2
comentarios
Etiquetas: historias
miércoles, 11 de abril de 2007
Revista Parabrisas - Mayo 1961 - El motor.

El Motor
El grupo propulsor es el conocido y provado 6L - 226, de seis cilindros en líneas verticales, de cuatro tiempos y refrigerados por agua. El block es de fundición de hierro sin camisas y lleva las perforaciones en las que se insertan las guías cambiables de las válvulas laterales. Los cilindros tienen un diámetro de 84,138mm y la carrera del pistón es de 111,125mm lo que da una cilindrada total de 3707cc. Con la compresión de 7,3:1 se consiguen 116,6cv o 115 hp a 3800 revoluciones por minuto.
Si se considera que de estas cifras se extrae una potencia por litro de aproximadamente 31 hp, se vera que es un motor poco exigido, que funciona liviano.
El cigüeñal esta forjado en acero, pesa 35kg. y gira apoyado en cuatro bancadas con casquillos postizos de metal antifricción con respaldo de acero. Esto consiste esencialmente en la forma de acero del casquillo recubierta interiormente (en la cara de contacto con el muñón de bancada del cigüeñal) por una película de metal antifricción cuyo espesor oscila entre los 0,05 y los 0,127mm. Los seis coginetes de biela son del mismo tipo, pero el respaldo de acero es mas fino. Los pistones son de alumnio (aleación liviana) terminados a estaneo, para un mejor y mas rapido acentamiento. LLeva cuatro aros cada uno de fundición gris de hierro, siendo los dos superiores de compresión y los dos inferiores rasca aceite. El aro superior de control de aceite tiene la cara de contacto cromado y esta provisto de anillo expansor. Los pistones vienen en siete medidas progresivas, para seis cambios sucesivos, correspondiendo a las super medidas de 0,10", 0,20", 0,30",0,40",0,50",0,60" en pulgadas o de 0,254, 0,508, 0,762, 1,016, 1,270 y 1,524 en milímetros, equivalentes a las primeras.
Las válvulas, que estan dispuestas lateralmente, corren en guías de fundición. Las de admisión son de acero silicromo y las de escape de acero silicromo XCR (aleación de mayor resistencia a la temperatura).
Los diametros y las alzadas son: en las de admisión 38,506mm y 8,84mm y en las de escape 33,731 y 8,42mm.
El árbol de levas, cituado a la izquierda del conjunto de cilindros es de acero forjado, cementado o de fundición, con tratamiento térmico. Gira apoyado en cuatro bujes de acero con bandas de contacto de metal antifricción. A la altura del tercer buje, lleva el engranaje de salida de fuerza para el eje común bomba de aceite - distribuidor. El árbol es comandado por una cadena de distribución del tipo morse, desde el extremo delantero del cigüeñal. El engranaje propulsor tiene 18 dientes y el del árbol de levas 36.
Próxima nota: Lubricación.
Publicadas por
Regalo Viral Gratis Motivación Energía Positiva
a la/s
10:19 p. m.
0
comentarios
Etiquetas: en los medios
martes, 10 de abril de 2007
Clarín Autos - 28 setiembre 2006
DE COLECCION ESTANCIERA
Un clásico por trayectoria y carisma
La Estanciera fue uno de los primeros productos de I.K.A. y su imagen quedó sellada en el tiempo.
Un clásico con casi medio siglo de vida, tiempo suficiente para quedar en la retina de todos los que alguna vez manejaron una como de aquéllos que sólo la vieron pasar. Una Estanciera es una marca registrada, es un sello distintivo de la década del 60. Esta sección se debía un homenaje a este utilitario que el 19 de marzo de 1957 salió por primera vez de la línea de montaje de Industria Kaiser Argentina, en Santa Isabel, provincia de Córdoba. La I.K.A. se había instalado en el país dos años antes y en poco tiempo se vio obligada a ampliar su área de producción. La Estanciera fue uno de los principales motivos...
Para Alejandro Ferreira también fue suficiente que un primo suyo le diera el dato de dónde encontrar una de estas reliquias para darse el gusto de sumarla a su colección. Y así fue que en el galpón de un campo de Entre Ríos, esta Estanciera de 1957, al parecer, lo estaba esperando. Ferreira la desarmó, le peló la pintura y la restauró, le devolvió los colores rojo y blanco, y le dio arranque. Y así anda, impecable, como en su mejor época. Queda claro cada vez que sale a la calle o que estaciona y es ubicada en 45 grados para mostrar su perfil, es notorio su estado de originalidad.
Industrias Kaiser Argentina comenzó la fabricación de la Estanciera en 1957 y la discontinuó en 1965. Utilizando el mismo motor, en 1959 se lanzan dos derivados: la pick-up Baqueano y el furgón Utilitario. A partir de 1965 se comienza a utilizar el motor Tornado y se le hacen otros retoques. Y un año más tarde, el gran cambio en la trompa. En 1970, se deja de producir la Estanciera con más de 71.000 unidades fabricadas.
Gastón Leturia
Publicadas por
Regalo Viral Gratis Motivación Energía Positiva
a la/s
10:08 p. m.
0
comentarios
Etiquetas: en los medios
domingo, 8 de abril de 2007
Parabrisas Mayo 1961 - AQUI ESTA LA RURAL ESTANCIERA
Revista Parabrisas Mayo 1961
LAS GRANDES PRESENTACIONES DE PARABRISAS
AQUÍ ESTA LA RURAL ESTANCIERA
Existe un cierto tipo de vehículos automóviles que responde a una idea determinada y cuyo aspecto, construcción y características se ajustan a ese concepto.
El tipo “rural” es uno de ellos y la “Estanciera”, de Industrias Kaiser Argentina, compone el modelo de mayor tamaño y capacidad que se fabrica en el país. De su diseño resulta un vehículo múltiple, adaptado a muy variadas necesidades y circunstancias, sobre todo en cuanto al tránsito por malos caminos se refiere. Las características de su construcción, en las que priva un criterio de sencillez, hacen de la “Estanciera” una rural apta para todo servicio, transporte, carga, ruta y ciudad.
Desde el momento en que fue creada para servir un fin determinado, la economía de su empleo depende del máximo aprovechamiento de sus posibilidades, tanto en orden mecánico como de capacidad de carga y velocidad.
La rural de Kaiser puede transportar hasta quinientos kilogramos de carga útil, demás del conductor. Esto habla de por sí solo de la manera realmente económica de utilizarla. En ciertas circunstancias, sobre todo cuando sirve exclusivamente al transporte personal de su dueño, puede parecer “consumidora”, pero en realidad, ése no ha sido el fin de proyecto.
Próxima nota: EL MOTOR
Publicadas por
Regalo Viral Gratis Motivación Energía Positiva
a la/s
9:44 a. m.
0
comentarios
Etiquetas: en los medios
viernes, 6 de abril de 2007
Willys Overland 4x4 - Venezuela
Publicadas por
Regalo Viral Gratis Motivación Energía Positiva
a la/s
8:06 p. m.
0
comentarios
Etiquetas: videos
Video 2º Rally IKA - San Rafael - Mendoza - Octubre 2006
Publicadas por
Regalo Viral Gratis Motivación Energía Positiva
a la/s
7:59 p. m.
0
comentarios
Etiquetas: encuentros, videos
jueves, 5 de abril de 2007
Dimensiones de la Estanciera
Publicadas por
Regalo Viral Gratis Motivación Energía Positiva
a la/s
11:15 p. m.
0
comentarios
Etiquetas: mecanica
Revista PARABRISAS - Mayo 1961
Hola he conseguido esta revista que cuenta con la presentación de la estanciera motor continental, a medida que disponga de tiempo iré subiendo escaneos y tipeando las notas de esta revista, como así también compartir curiosiodades y publicidades de la época en que nacieron estos fierros.
Luego también subiré otra del año 1966 con la presentación de la estanciera motor tornado que ya he escaneado anteriormente y subido en los archivos de la estancieracom.
Desde ya saludos y espero que disfruten de toda la info en el blog.
Domingo González - Cipolletti (RN) - IKA 1957
Publicadas por
Regalo Viral Gratis Motivación Energía Positiva
a la/s
11:03 p. m.
0
comentarios
Etiquetas: en los medios
Loca pero Estanciera
Publicadas por
Regalo Viral Gratis Motivación Energía Positiva
a la/s
10:24 p. m.
0
comentarios
Etiquetas: videos
jueves, 29 de marzo de 2007
Despiece motor de arranque (burro)
Publicadas por
Regalo Viral Gratis Motivación Energía Positiva
a la/s
10:45 p. m.
0
comentarios
Ventas ML
width="336" height="280" scrolling="no" frameborder="0" marginheight="0" marginwidth="0">
Publicadas por
Regalo Viral Gratis Motivación Energía Positiva
a la/s
10:41 p. m.
0
comentarios
Etiquetas: ventas
martes, 27 de marzo de 2007
Despiece puerta estanciera
Publicadas por
Regalo Viral Gratis Motivación Energía Positiva
a la/s
11:48 p. m.
0
comentarios
Etiquetas: mecanica










